Wer einen RC-Jet mit Turbine fliegt, weiss: Die Kraftstoffversorgung ist ein zentraler Bestandteil der gesamten Flugperformance und Sicherheit.
Ein falsch dimensionierter oder schlecht platzierter Tank kann zu Schwerpunktproblemen, unzuverlässiger Kraftstoffzufuhr oder unnötigem Gewicht führen. Genau hier setzen **individuell angefertigte Beuteltanks für RC-Modelle** an. Sie ermöglichen eine perfekt abgestimmte Tanklösung, die sich exakt an den verfügbaren Bauraum und die Anforderungen des Modells anpasst.
Inhaltsverzeichnis
Warum der richtige Tank im RC-Jet entscheidend ist
Im Turbinenmodellbau entscheidet die Qualität der Kraftstoffversorgung über:
- Zuverlässigen Triebwerkslauf
- Konstante Schwerpunktlage
- Maximale Flugzeit
- Vibrationssicherheit
GFK- oder PET-Tanks lassen sich oft nur eingeschränkt im Rumpf unterbringen. Besonders bei Scale-Jets und schlanken Rümpfen entstehen Hohlräume, die nicht optimal genutzt werden können. Dies führt zu unnötigem Gewicht oder ungünstiger Schwerpunktlage.
Ein massgefertigter Beuteltank passt sich dagegen exakt der vorhandenen Geometrie an und nutzt den verfügbaren Raum optimal aus.
Die wichtigsten Vorteile eines massgefertigten Beuteltanks
1) Optimale Raumausnutzung
Ein Beuteltank wird exakt nach den Innenmassen des Rumpfes gefertigt. Dadurch entsteht:
- mehr nutzbares Tankvolumen
- weniger Leerraum
- bessere Schwerpunktposition
2) Konstante Kraftstoffzufuhr
Da sich der Tank beim Entleeren zusammenzieht, entstehen:
- keine Luftblasen
- keine Schwappbewegungen
- stabile Kraftstoffversorgung in allen Fluglagen
3) Gewichtsersparnis
Im Vergleich zu GFK- und PET-Tanks bieten Beuteltanks:
- geringeres Eigengewicht
- bessere Gewichtsverteilung
- effizientere Nutzung des Bauraums
- kein Hopper (UAT) Tank notwendig
4) Vibrationen und Dichtheit
Aufschäumen durch Vibrationen gehört der Vergangenheit an
- sind unempfindlich gegenüber Vibrationen
- dichte und ausreichend dimensionierte Anschlussstutzen
- reduzieren das Risiko von Fremdkörpern im Kraftstoffsystem
- keine Geruchsimmissionen dank 3-facher undurchlässiger Folienkonstruktion
5) Montage
Einfach und mit wenig Kostenaufwand in jedem Modell realisierbar
- dank beidseitigen Beuteltaschen (Laschen) mit CFK-Rohren montierbar
- Flexible Aufnahmemöglichkeiten mit Holzspanten, 3D-Druchkteilen und Stellringen
- keine Entlüftungsleitung notwendig
- Mit entsprechender Tankstation muss der Tank nicht im Sichtfeld verbaut werden
Beuteltank vs. Festtank im direkten Vergleich
| Kriterium | Beuteltank | Festtank |
|---|---|---|
| Raumausnutzung | Sehr hoch | Oft eingeschränkt |
| Schwerpunktlage | Optimal anpassbar | Fixe Form |
| Luftblasenbildung | Nahezu ausgeschlossen | Möglich |
| Gewicht | Gering | Höher |
| Vibrationsfestigkeit | Sehr gut | Abhängig vom Material |
| Einbau in engen Rümpfen | Ideal | Oft problematisch |
Gerade bei modernen Turbinenjets mit schlanken Rumpfformen ist der massgefertigte Beuteltank häufig die technisch bessere Lösung.
Wir haben auch viele bereits vorgefertigte Beuteltanks an Lager:
-
RC Antriebe
rcjet Beuteltank Zylinderform, 1.5 Liter Inhalt - Jet-Version
CHF 116.00 In den Warenkorb -
RC Antriebe
rcjet Beuteltank Zylinderform, 3.5 Liter Inhalt - Jet-Version
CHF 132.00 In den Warenkorb -
RC Antriebe
rcjet Beuteltank Zylinderform, 4.0 Liter Inhalt - Jet-Version
CHF 134.00 In den Warenkorb -
RC Antriebe
rcjet Beuteltank Zylinderform, 2.5 Liter Inhalt - Jet-Version
CHF 124.00 In den Warenkorb -
RC Antriebe
rcjet Beuteltank Zylinderform, 1.0 Liter Inhalt - Jet-Version
CHF 113.00 In den Warenkorb
Typische Einsatzbereiche für individuelle Beuteltanks
Individuelle Tanks kommen besonders dort zum Einsatz, wo Standardlösungen an ihre Grenzen stossen:
Scale-Jets
- Vorbildgetreue Rumpfformen
- wenig nutzbarer Bauraum
- komplexe Innenstrukturen
Jets mit engem Rumpf
- schmale Bauformen
- gebogene Tankräume
- asymmetrische Platzverhältnisse
Umbauten und Sonderprojekte
- Turbinen-Nachrüstungen
- Schwerpunktkorrekturen
- individuelle Flugzeit-Optimierung
Besondere Belastung
- Akroflug
- 3D-Flug mit Vektorsteuerung
Verwendung als Smoke-Tank
- verbaut an schwierig zugänglichen, unförmigen Stellen
- Schwerpunktkorrekturen
So entsteht ein individuell gefertigter Beuteltank
Die Herstellung eines massgefertigten Tanks folgt in der Regel einem klar strukturierten Prozess:
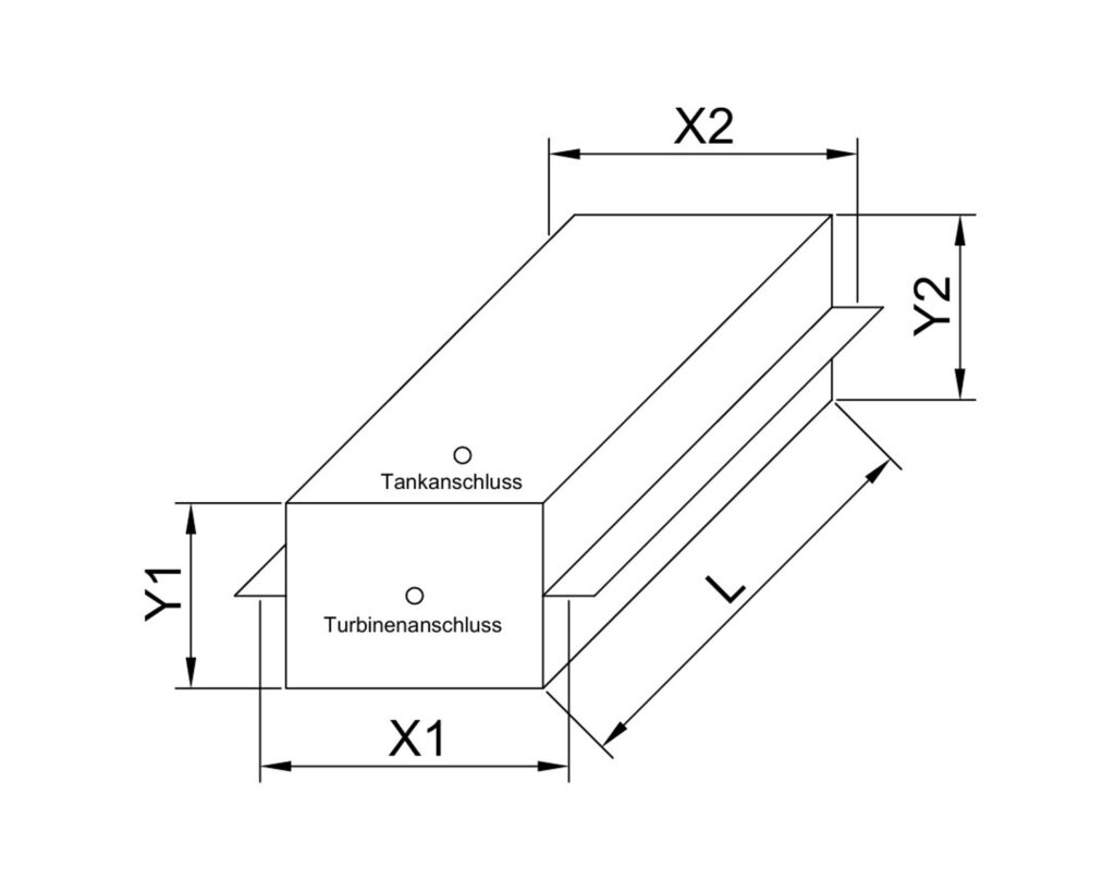
1) Vermessung des Tankraums
- Schablone aus Karton oder Schaum
- 3D-Modell oder Skizze
- Angabe von Schlauchanschlüssen
2) Konstruktion
- Anpassung an Schwerpunktlage
- Optimierung des Volumens
- Festlegung der Anschlusspositionen
3) Bestellformular
- Dimensionen übertragen
- Weitere Informationen übertragen
- Formular per Mail zustellen
4) Fertigung und Dichtigkeitsprüfung
- massgenau verschweisst
- Drucktest
- Qualitätskontrolle
Einbau-Tipps für Beuteltanks im RC-Jet
Damit ein Beuteltank seine Vorteile voll ausspielen kann, sollte der Einbau sorgfältig erfolgen.
Tank möglichst im Schwerpunkt platzieren
- minimiert Notwendigkeit von Trimmänderungen im Flug
- sorgt für neutrales Flugverhalten
Schutz vor Reibung
- fester Sitz zwischen den Montagepunkten
- keine scharfen Kanten im Rumpf
- keine Berührung am Rumpf
Saubere Schlauchführung
- keine Knicke
- kurze Leitungswege
- ausreichend Freiheit für die Tankanschlüsse
Starke Aufnahme- und Befestigungspunkte
- Holzspannten oder 3D-Druckteile ausreichend stark dimensioniert (G-Kräfte – Gewicht)
- CFK- Rohre/Stäbe für die Aufnahme der Beuteltaschen (Laschen) 4-10mm je nach Tankdimension
Für wen lohnt sich ein massgefertigter Beuteltank?
Ein individueller Beuteltank lohnt sich für jedes turbinenbetriebene Modell und ist besonders sinnvoll für:
- ambitionierte Turbinenpiloten / 3D-Vektor
- Scale-Jet-Besitzer
- Modelle mit Schwerpunktproblemen
- Projekte mit begrenztem Bauraum
Wer maximale Zuverlässigkeit, optimale Gewichtsverteilung und eine perfekte Integration in den Rumpf sucht, profitiert deutlich von einer massgeschneiderten Lösung.
Fazit: Massgefertigte Beuteltanks als High-End-Lösung für RC-Jets
Individuell angefertigte Beuteltanks bieten klare technische Vorteile gegenüber Standardtanks. Sie nutzen den vorhandenen Raum optimal, verbessern die Schwerpunktlage und sorgen für eine zuverlässige Kraftstoffversorgung der Turbine und somit für die Betriebssicherheit.
Gerade bei hochwertigen RC-Jets lohnt sich die Investition in eine massgeschneiderte Tanklösung – sowohl in Bezug auf Flugleistung als auch auf Sicherheit und Einbaukomfort.
Mit diesem Formular können Sie bei uns Ihren persönlichen Beuteltank bestellen.
Wir arbeiten mit einem vertrauenswürdigen schweizer Hersteller, der sich einzig auf die Herstellung dieser Beuteltanks spezialisiert hat.
Wir freuen uns auf Ihre Bestellung.
Team HEBU















